当前位置:主页 > 产品展示 > 振动器 > 直线式振动器 > 德国Netter Vibration直线往复式振动器NTS型

德国Netter Vibration直线往复式振动器NTS型

产品时间:2020-07-02 14:41

简要描述:

应用范围及特点: 线性的NTS型振动器,适用大型下料桶及隧道灌浆,由于它的线性振动,它特别适合整密堆状的原料,如水泥工业整密台,因为它的起动及停止非常准确,还有它的耐磨...

详细介绍




德国Netter Vibration直线往复式振动器NTS型
 
特点:

频率,振幅无限可调整运转,防爆规格,可以瞬间停止及起动。安静无声。振动具有方向性。

1、型号以及功能数据

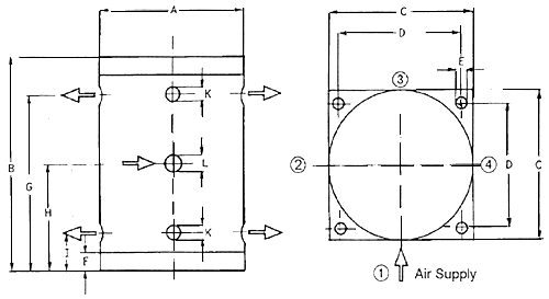
2、本体尺寸图,如下所示
设计和功能:
  • NTS型是线性振动的振动器,在振动时具有方向性。
  • 在内部气压缓冲可以产生不同的振动。
  • 频率可以随着气压调整而随时改变。
  • 可以非常准确的起动及停止运转。
  • 内部活塞经过特殊表面处理,运转寿命非常长久。
  • 一个3口2位的电磁阀及三点组合,在操作时是需要的。
  • 也可以要求免润滑剂的规格。
应用范围及特点:
线性的NTS型振动器,适用大型下料桶及隧道灌浆,由于它的线性振动,它特别适合整密堆状的原料,如水泥工业整密台,因为它的起动及停止非常准确,还有它的耐磨耗特性,是一个应用非常广泛的振动器。


NTS 本体尺寸图:

 
NTS 型号及尺寸:
型号 A B C D E F G H I K L exhaust
on side
Housing
(kg)
Piston
(kg)
Total
(kg)
NTS75/01 80 115 90 72 8.5 20 81 60 38 1/4" 1/4" 3 1.1 0.8 1.9
NTS50/01 80 155 90 72 8.5 20 121 80 40 1/4" 1/4" 3 1.5 1.4 2.9
NTS70/02 100 130 110 90 9.0 20 112 79 45 3/8" 3/8" 3 1.9 1.2 3.1
NTS54/02 100 157 110 90 9.0 20 112 79 45 3/8" 3/8" 3 2.3 1.6 3.9
NTS50/04 140 157 150 124 13 20 112 89 45 3/8" 3/8" 3 4.0 4.3 8.3
NTS50/10 190 157 200 165 17 20 110 79 45 3/8" 1/2" 2+4 20 9.0 29
NTS30/10 190 340 200 165 17 20 290 170 50 3/8" 1/2" 2+4 41 25 66
NTS50/20 250 190 250 210 21 30 134 95 57 3/8" 3/4" 1-4 42 19 61
NTS30/20 250 278 250 210 21 30 218 139 61 3/8" 3/4" 1-4 54 37 91
NTS24/20 250 360 250 210 21 30 298 180 62 3/8" 3/4" 1-4 68 54 122
NTS50/40 320 267 320 260 25 40 190 134 70 1/2" 1" 1-4 89 52 141
NTS20/40 320 470 320 260 25 40 390 235 78 1/2" 1" 1-4 134 125 259
NTS 型号及功能:
型号 频率[min] 中央出力[N] 工作动量[cm/kg] 空气消耗[/min]
2bar 4bar 6bar 2bar 4bar 6bar 2bar 4bar 6bar 2bar 4bar 6bar
NTS75/01 2,890 3,780 4,450 400 770 1,180 0.9 1.0 1.1 105 233 368
NTS50/01 2,280 2,736 3,260 450 750 1,130 1.6 1.8 1.9 101 220 342
NTS70/02 2,280 2,760 3,560 600 1,290 2,500 2.1 3.1 3.6 150 350 490
NTS54/02 1,630 2,350 2,760 450 1,210 2,130 3.1 4.0 5.1 130 300 420
NTS50/04 2,000 2,500 3,000 1,130 2,390 3,500 5.2 7.0 7.1 170 450 720
NTS50/10 1,800 2,300 2,850 2,160 4,930 8,020 13 17 18 250 700 940
NTS30/10 840 1,044 1,300 1,940 4,780 8,900 50 80 96 260 730 1,060
NTS50/20 1,940 2,120 2,800 8,050 13,730 18,640 39 56 43 403 960 1,320
NTS30/20 1,200 1,300 1,750 5,890 12,750 19,600 75 138 117 600 1,300 1,800
NTS24/20 980 1,200 1,420 6,870 14,700 20,600 130 186 186 600 120 1,750
NTS50/40 1,600 2,150 2,650 7,260 16,700 26,500 52 66 129 600 1,750 2,850
NTS20/40 850 1,080 1,310 12,750 23,550 31,400 329 368 328 450 800 1,500

*)Air consumption with silencers.
Without silencers the consumption is higher, but the vibrator also has more force.
             
 
NTS 型号及尺寸:
型号 A
(mm)
?B
(mm)
C
(mm)
D E F
(mm)
G
(mm)
Housing
(kg)
Piston
(kg)
Total
(kg)
NTS120HF 87.5 27.5 SW21 M8 1/8" 11 16.5 0.086 0.022 0.108
NTS120NF 115.0 27.5 SW21 M8 1/8" 11 16.5 0.119 0.042 0.161
NTS180HF 91.5 33.5 SW27 M10 1/8" 10 19.5 0.124 0.050 0.174
NTS180NF 127.5 33.5 SW27 M10 1/8" 10 19.5 0.192 0.110 0.302
NTS250HF 116.5 41.5 SW36 M12 1/8" 12 24.0 0.238 0.155 0.393
NTS250NF 159.5 41.5 SW36 M12 1/8" 12 24.0 0.335 0.290 0.625
NTS350HF 116.5 53.0 SW46 M12 1/4" 12 30.5 0.359 0.325 0.684
NTS350NF 162.5 53.0 SW46 M12 1/4" 12 30.5 0.505 0.570 1.075

NTS 型号及功能:
型号 不平衡力
[cm/kg]
频率
[vibr./min]
中央出力
[N]
空气消耗
[/min]
噪音分贝
[dB(A)]
2bar 4bar 6bar 2bar 4bar 6bar 2bar 4bar 6bar 2bar 4bar 6bar 2bar 4bar 6bar
NTS120HF unthrottled 0.01 0.01 0.02 5,775 7,645 8,738 18 32 84 1 7 24 55 58 61
throttled 0.01 0.01 0.01 5,722 7,588 8,580 18 32 40 1 6 19 55 57 58
NTS120NF unthrottled 0.02 0.03 0.04 4,185 4,730 5,420 19 37 64 1 3 20 57 58 60
throttled 0.02 0.02 0.03 3,750 4,688 5,315 15 24 46 1 3 18 57 58 58
NTS180HF unthrottled 0.03 0.04 0.05 5,582 7,260 8,908 51 116 218 10 34 75 68 69 72
throttled 0.02 0.03 0.04 5,545 7,150 8,858 34 84 172 9 33 72 65 65 66
NTS180NF unthrottled 0.10 0.15 0.20 3,120 4,037 4,873 53 134 260 5 23 46 61 63 68
throttled 0.10 0.10 0.15 2,915 3,958 4,688 47 86 181 4 18 36 60 62 66
NTS250HF unthrottled 0.15 0.20 0.25 3,940 4,630 5,530 128 235 419 13 53 92 69 69 73
throttled 0.10 0.10 0.15 3,870 4,515 5,412 82 112 241 11 42 57 64 66 69
NTS250NF unthrottled 0.36 0.53 0.57 2,294 3,630 4,470 104 383 625 17 63 120 70 70 74
throttled 0.35 0.44 0.46 2,249 3,376 4,103 97 275 425 14 43 92 54 61 69
NTS350HF unthrottled 0.25 0.35 0.40 3,960 4,840 5,720 215 450 718 23 101 157 70 71 72
throttled 0.15 0.20 0.25 3,890 4,768 5,590 124 249 428 19 77 120 61 63 66
NTS350NF unthrottled 0.60 0.88 1.06 2,355 3,054 3,846 182 450 860 15 48 111 66 66 69
throttled 0.45 0.65 0.72 2,349 2,988 3,538 136 318 494 11 34 89 51 58 62

产品咨询

留言框

  • 产品:

  • 留言内容:

  • 您的单位:

  • 您的姓名:

  • 联系电话:

  • 常用邮箱:

  • 详细地址:


推荐产品

问鼎封神官网 版权所有 备案号:沪ICP备16049765号

在线客服 联系方式 二维码

服务热线

021-61211140

扫一扫,关注我们