当前位置:主页 > 产品展示 > 振动器 > 离心力振动器 > NETTER VIBRATION离心力滚轴式振动器NCR型

NETTER VIBRATION离心力滚轴式振动器NCR型

产品时间:2020-07-02 14:57

简要描述:

应用范围: 气压滚轴式振动器NCR型的特点为加速非常快速,特别是减少粉料在输送过程的磨擦产生的阻塞。如管内阻塞的消除,金属薄板的粘贴去除,非微细粉末的振动去除。...

详细介绍


NETTER VIBRATION离心力滚轴式振动器NCR型


特点:

免润滑剂,高效率运转、免维修,适合各种恶劣环境,无轴承设计、防尘防爆,耐温达200°C

1、型号以及功能数据

2、本体尺寸图,如下所示
应用范围:

气压滚轴式振动器NCR型的特点为加速非常快速,特别是减少粉料在输送过程的磨擦产生的阻塞。如管内阻塞的消除,金属薄板的粘贴去除,非微细粉末的振动去除。

结构和运转的特性:

NCR的内部有一个钢轴和本体,气压可以使钢轴快速有力的运转,本体易于安装及卸除铝合金外壳及硬化的本体,可以适用于任何环境运作时需要使用一个2口2位电磁阀及过滤器。
NCR型号及功能:
型号 作工 频率 [min] 中央出力[N] 空气消耗[/min] 噪音分贝[dB(A)]
(cm/kg) 2bar 4bar 6bar 2bar 4bar 6bar 2bar 4bar 6bar 2bar 4bar 6bar
NCR 3 0.031 30,600 37,500 40,500 1,592 2,391 2,789 98 141 190 80 84 88
NCR 10 0.102 22,500 27,900 29,500 2,832 4,354 4,868 195 293 390 84 89 93
NCR 22 0.224 20,600 23,000 25,200 5,213 6,498 7,801 283 419 556 82 87 95
NCR 57 0.572 14,300 16,400 17,600 6,415 8,437 9,717 361 536 712 81 87 94
NCR 120 1.200 11,000 11,700 12,500 7,963 9,009 10,283 488 712 946 83 89 95

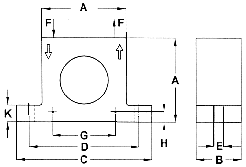
NCR 之本体尺寸图:

本体尺寸图 :
Type A
(mm)
B
(mm)
C
(mm)
D
(mm)
E
(mm)
F
(mm)
G
(mm)
H
(mm)
K
(mm)
Mass
(kg)
NCR 3 51 28.5 86 68 7 1/8" 40 7 12 0.235
NCR 10 67 36 113 90 9 1/4" 50 9 16 0.535
NCR 22 80 42.5 128 104 9 1/4" 60 10 16 0.940
NCR 57 100 51 160 130 13 3/8" 80 12 20 1.800
NCR 120 120 75 194 152 17 3/8" 100 13 24 4.250

产品咨询

留言框

  • 产品:

  • 留言内容:

  • 您的单位:

  • 您的姓名:

  • 联系电话:

  • 常用邮箱:

  • 详细地址:


推荐产品

问鼎封神官网 版权所有 备案号:沪ICP备16049765号

在线客服 联系方式 二维码

服务热线

021-61211140

扫一扫,关注我们