当前位置:主页 > 产品展示 > 振动器 > 离心力振动器 > NETTER VIBRATION离心力涡轮式振动器NCT系列

NETTER VIBRATION离心力涡轮式振动器NCT系列

产品时间:2020-07-02 14:50

简要描述:

特点: 免润滑剂操作,免维修,噪音度的降低,高效率的运转,适合各种恶劣的环境,防尘防水防爆,长时间连续运转。...

详细介绍



NETTER VIBRATION离心力涡轮式振动器NCT系列
 
特点:

免润滑剂操作,免维修,噪音度的降低,高效率的运转,适合各种恶劣的环境,防尘防水防爆,长时间连续运转。

1、型号以及功能数据

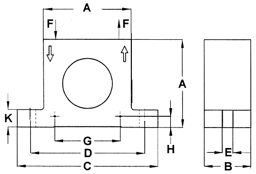
2、本体尺寸图,如下所示
 
应用范围:
NCT涡轮式振动器适用于原料的移动,如:清桶,特别是架桥,料桶内的鼠洞阻塞,避免积料及管路堵塞,维持原料顺利的流动,加速筛网的下料。

结构和运转的特性:
振动靠本体内的涡轮叶片产生振动。非常方便安装,硬化染黑的铝合金本体,轻巧防水防尘,适用于各种不同环境,操作时应使用一个2口2位电磁阀,及过滤器最高操作温120°C,另外还可以提供不锈钢本体的震动器。

NCT本体尺寸图:

 
NCT型号及功能:
型号 不平衡力 频率[min] 中央出力 牛顿(N) 空气消耗[/min] 噪音分贝[dB(A)]
(cm/kg) 2bar 4bar 6bar 2bar 4bar 6bar 2bar 4bar 6bar 2bar 4bar 6bar
NCT 1 0.0062 29,400 36,000 40,500 294 441 558 31 55 79 64 70 75
NCT 2 0.0124 24,000 28,600 32,400 392 557 714 33 56 82 65 69 72
NCT 3 0.016 27,000 33,600 38,400 631 976 1,275 45 83 115 69 76 79
NCT 4 0.023 23,800 29,800 33,800 715 1,121 1,441 46 79 117 65 71 71
NCT 5 0.049 18,600 24,600 27,600 919 1,607 2,022 119 188 261 68 80 85
NCT 10 0.096 16,500 20,400 22,500 1,434 2,191 2,666 119 192 262 73 75 82
NCT 15 0.142 17,400 21,000 23,400 2,365 3,444 4,277 229 392 600 76 85 86
NCT 29 0.282 12,600 15,000 18,000 2,459 3,485 5,018 227 363 592 68 72 77
NCT 55 0.545 11,100 13,800 16,200 3,683 5,692 7,844 465 796 1,158 77 80 85
NCT 108 1.081 9,000 10,200 12,000 4,802 6,168 8,537 455 751 1,226 73 79 84
NCT 126 1.262 8,000 9,900 10,500 4,430 6,783 7,631 630 1,160 1,687 71 79 83
NCT 250 2.502 5,100 6,900 7,800 3,569 6,533 8,348 625 1,125 1,845 71 78 82

NCT 本体尺寸图 :
Type A(mm) B(mm) C (mm) D(mm) E(mm) F(mm) G(mm) H(mm) K(mm) Mass(kg)
NCT 1 40 27 70 56 6.5 1/8" 30 5.5 10 0.165
NCT 2 40 27 70 56 6.5 1/8" 30 5.5 10 0.162
NCT 3 50 32 86 68 7 1/8" 40 7 12 0.230
NCT 4 50 32 86 68 7 1/8" 40 7 12 0.240
NCT 5 65 43 113 90 9 1/4" 50 9 16 0.550
NCT 10 65 43 113 90 9 1/4" 50 9 16 0.570
NCT 15 80 56 128 104 9 1/4" 60 10 16 1.045
NCT 29 80 56 128 104 9 1/4" 60 10 16 1.090
NCT 55 100 73 160 130 11 3/8" 80 12 20 2.125
NCT 108 100 73 160 130 11 3/8" 80 12 20 2.250
NCT 126 120 86 194 152 17 3/8" 100 13 25 3.585
NCT 250 120 86 194 152 17 3/8" 100 13 25 3.820

产品咨询

留言框

  • 产品:

  • 留言内容:

  • 您的单位:

  • 您的姓名:

  • 联系电话:

  • 常用邮箱:

  • 详细地址:


推荐产品

问鼎封神官网 版权所有 备案号:沪ICP备16049765号

在线客服 联系方式 二维码

服务热线

021-61211140

扫一扫,关注我们